Новости

Голосование

Компания ООО "Омснаб.РФ" доставляет гидравлическое и пневматическое оборудование в регионы:

Москва
Санкт-Петербург
Новосибирск
Екатеринбург
Нижний Новгород
Казань
Самара
Омск
Челябинск
Ростов-на-Дону
Уфа
Волгоград
Красноярск
Пермь
Воронеж
Саратов
Краснодар
Тольятти
Тюмень
Ижевск
Барнаул
Ульяновск
Иркутск
Владивосток
Ярославль
Хабаровск
Махачкала
Оренбург
Новокузнецк
Томск
Кемерово
Рязань
Астрахань
Пенза
Набережные Челны
Липецк
Тула
Киров
Чебоксары
Калининград
Курск
Улан-Удэ
Ставрополь
Магнитогорск
Брянск
Иваново
Тверь
Белгород
Сочи
Нижний Тагил
Архангельск

Алма-Ата
Астана
Шымкент
Караганда
Актобе
Тараз
Павлодар
Семей
Усть-Каменогорск
Уральск
Кызылорда
Костанай
Атырау
Петропавловск
Темиртау
Актау
Туркестан
Кокшетау
Экибастуз
Талдыкорган
Рудный
Жанаозен

Версия для печати Версия для печати

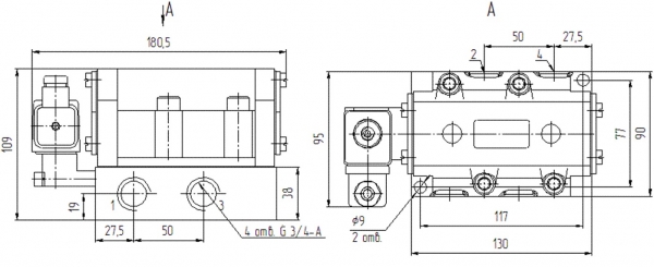
Пневмораспределитель В64-25А-03

Оценить
Исполнение Четырехлинейный, двухпозиционный с односторонним электропневматическим управлением с ручным дублированием и пружинным возвратом в исходное положение. Конструкция распределительного устройства: плоский притёртый золотник
Условный проход, мм 10
Тип присоединения Резьбовое, с плитой и боковым расположением отверстий (трубы в стороны)
Присоединение пневмолиний, дюйм
3/8
Номинальное давление, МПа 0,63
Минимальное давление, МПа, не более 0,25
Время срабатывания при давлении 0,4 МПа, с, не более 0,1
Максимальное число срабатываний, в мин., не    менее 250
Номинальное напряжение питания постоянного тока, В 12, 24, 48, 110
Номинальное напряжение питания переменного тока частотой 50 Гц, В 24, 36, 48, 110, 220, 380
Номинальная потребляемая мощность постоянного тока, Вт, не более 7
Номинальная потребляемая мощность переменного тока 50 Гц, ВА, не более 9
Пропускная способность, Kv*, м3/ч, не менее 1.9
Масса кг, не более 1.7
Примечание *Kv определяется по ГОСТ 14691-69

Есть вопросы?

Вы можете задать нам вопрос(ы) с помощью следующей формы.

Имя:

Email

Пожалуйста, сформулируйте Ваши вопросы относительно Пневмораспределитель В64-25А-03:


Введите число, изображенное на рисунке
code

pageTracker._initData(); pageTracker._trackPageview();