Гидроклапан Y-03, Y-06, YW-03, YW-06, Y-10, YW-10 предназначен для предохранения гидросистемы от перегрузок, поддержания настроенного давления и дистанционной разгрузки путем соединения полости со сливной линией; предохранения гидросистемы от перегрузок и поддержания настроенного давления при включенном электромагните пилота, разгрузка — при выключенном; предохранения гидросистем от перегрузок и поддержания настроенного давления при выключенном электромагните пилота, разгрузка при включенном.
Пример обозначения и соответствия оборудованию импортного производства
|
Наименование импортного г/клапана
|
Российский аналог
|
|
Y-03-31,5-X-50
|
МКПВ 10/3 С2Р3 (стыковой монтаж)
|
|
Y-06-31,5-X-50
|
МКПВ 20/3 С2Р3
|
|
YW-03-31,5-B-X-50 (c распределителем)
|
МКПВ 10/3 С3Р3
|
|
YW-06-31,5-B-X-50 (с распределителем)
|
МКПВ 20/3 С3Р3
|
|
Y-03-31,5-50
|
МКПВ 10/3 C2Р3
|
|
Y-06-31,5-50
|
МКПВ 20/3 C2Р3
|
|
Y-10-31,5-50
|
МКПВ 32/3 C2Р3
|
|
Y-10-31,5-50
|
МКПВ 32/3 C2P3
|
|
YW-10-31,5-X-50 (с распределителем)
|
МКПВ 32/3 С3Р3
|
|
Y-015-31.5-50 THREADED
|
МКПВ 10/3 Т2Р3 (трубный монтаж)
|
|
YW-015-31.5-Х THREADED
|
МКПВ 10/3 Т3Р3
|
|
Y-025-31.5-50 THREADED
|
МКПВ 20/3 Т2Р3
|
|
YW-025-31.5-Х THREADED
|
МКПВ 20/3 Т3Р3
|
|
DY-03-P-31,5-70
|
МКПВ 10/3 МР
|
|
DY-02-P-31.5-70
|
КПМ 6/3
|
Технические параметры
| Ду, мм |
Y-03 (Ду=10мм) |
Y-06 (Ду=25мм) |
Y-10 (Ду=32мм) |
DY-02 (Ду=6мм) |
DY-03 (Ду=10мм) |
| Максимальное давление, МПа |
32 |
32 |
| Максимальный расход (л/мин) |
60 |
120 |
240 |
35 |
70 |
| Рабочая жидкость |
Минеральное масло, жидкость на основе эфиров фосфорной кислоты |
| Рабочее давление, МПа |
7-32 |
7-20 |
| Вес, кг |
2.6 |
6.6 |
12.3 |
2,5 |
4,5 |
Структура условного обозначения гидроклапана типа Y
|
Y
|
Y
– предохранительный клапан с гидравлическим управлением;
YW
– предохранительный клапан с электромагнитным управлением.
|
|
03
|
Диаметр
условного прохода
Для
стыкового монтажа:
03
– 10 мм;
06
– 20 мм;
10
– 32 мм.
Для
трубного монтажа:
015
– 10 мм;
025
– 20 мм.
|
|
В
|
Режим
работы катушки разгрузки клапана:
А
- разгрузка при включении разгрузочного клапана;
В
- давление при включении катушки разгрузочного клапана.
|
|
31.5
|
Диапазон
рабочего давления: 31,5 МПа
|
|
ХХ
|
Тип
питания и дренажа:
Без
кода - внутреннее питание и дренаж;
Y
- внутреннее питание, внешний дренаж;
Х
- внешнее питание, внутренний дренаж;
XY
- внешнее питание, внешний дренаж.
|
|
ХХХХХ
|
Питание
электромагнита (для клапанов с электроуправлением):
D12=12VDC
D24=24VDC
B110/50=110/50Hz
B220/50=220/50Hz
|
|
50
|
Серия
|
Схемы гидроклапана предохранительного типа Y

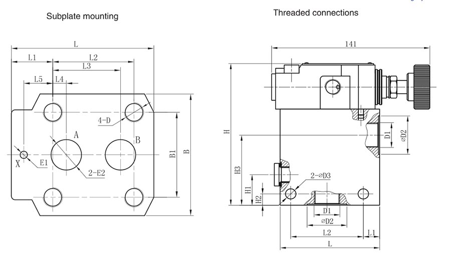
Габаритные и присоединительные размеры клапана Y, YW (МКПВ)


|
Марка
|
В1
|
В2
|
D1 |
D2 |
D3 |
D4 |
D5 |
L1 |
L2 |
L3 |
L4 |
L5 |
|
Y/YW-03
|
80
|
54
|
?20
|
?14
|
?12
|
М12
|
?5
|
90
|
54
|
23,5
|
97,5
|
155,5
|
|
Y/YW-06
|
100
|
69,8
|
?26
|
?18
|
?22
|
М16
|
?5 |
117
|
66,7
|
34
|
111
|
168
|
|
Y/YW-10
|
116
|
82,5
|
?30 |
?20
|
?30
|
М18
|
?5
|
148
|
89
|
41,5
|
121
|
179
|
|
Марка
|
L6 |
L7 |
L8 |
L9 |
L10 |
L11 |
L12 |
L13 |
|
Y/YW-03
|
179
|
133,5
|
27
|
92
|
22
|
48
|
0
|
22,1
|
|
Y/YW-06
|
193
|
147
|
24,3
|
120
|
11,1
|
55,6
|
23,8
|
33,3
|
|
Y/YW-10
|
203
|
157
|
21,6
|
146
|
12,7
|
76,2
|
31,7
|
44,4
|
Характеристические кривые (измеренные с HLP46, Voil = 40 & plusmn; 5 ? ?)

Характеристические кривые (измеренные с HLP46, Voil = 40 & plusmn; 5 ? ?)

Характеристические кривые (измеренные с HLP46, Voil = 40 & plusmn; 5 ? ?)



|
|